17TAC47C
发布时间:2025-08-14
作者:苏州亿茂传动设备有限公司
- 轴承型号
-
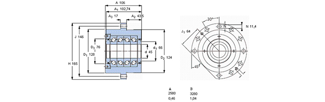
现行代号17TAC47C
- 内径
-
d17
- 外径
-
D47
- 厚度
-
B15
- 基本额定动载荷
-
CkN
- 基本额定静载荷
-
C0kN
- 疲劳载荷
-
PukN
- 参考转速
-
参考转速6900r/min
- 极限转速
-
极限转速9200r/min
- 轴承类型
-
FAG轴承滚珠丝杠支承轴承
上一篇:15TAC47CDDG
下一篇:17TAC47CDDG











